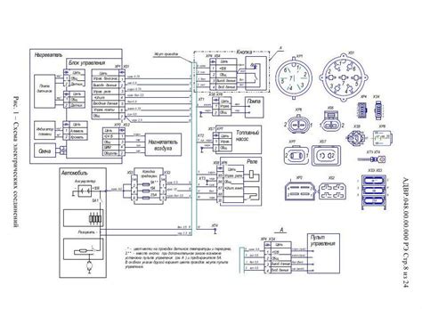
Бинар 5s дизель схема подключения к сигнализаци...
Бинар 5s купить - официальный сайт производител...
Компьютерная диагностика Бинар — 5S дизель — DR...
Бинар-5Б(-С, -СВ), Бинар-5Д(-С, -СВ) | Предпуск...
Бинар Инструкция Установка - bertyldocs
Установка Бинар 5S на Киа Мохав дизель - Binar Msk
БИНАР 5S дизель 24В (Россия) — Webasto (Вебасто)
Бинар 5S дизель в кайрон — SsangYong Kyron, 2 л...
Бинар и штатный автозапуск! — DRIVE2
Установка Бинар 5S на Ладу Гранту — DRIVE2
Установка Бинар 5S на Evolute I-PRO - Binar Msk
Бинар 5S что входит в комплектацию? - YouTube
Эксплуатация Бинар 5S дизель — Renault Duster (...
Установить Бинар 5S с устройством управления в ...
Бинар 5s дизель схема подключения
Первый раз разбираю и ремонтирую БИНАР 5S, спус...
Бинар 5s дизель на Паджеро 4 — РемАвтоКлимат на...
Акция! Бинар 5S для Дизеля — DRIVE2
Установил бинар 5s на весту - YouTube
Установка подогрева ДВС BINAR-5S с gsm — DRIVE2
Бинар 5s дизель - Автозвук, навигация, связь + ...
Бинар 5с — Renault Duster (2G), 1,5 л, 2021 год...
Установка котла Бинар 5s своими руками (к зиме ...
Бинар 5s дизель — KIA Sportage (3G), 2 л., 2011...
Бинар 5S — Volkswagen Passat B5, 1,9 л, 2004 го...
Установка отопителя Бинар-5S дизель! — Audi Q5 ...
Устранение ошибок в предпусковом подогревателе ...
Установка предпускового подогревателя Бинар 5S ...
#9 установка Бинар 5с ️ + новый АКБ Exide efb —...
Установка Бинар 5с на дизельный Авто #автосерви...