Плавный пуск, устройство плавного пуска, плавны...
Плавный пуск для любого сварочного инвертора - ...
Плавный пуск любого электроинструмента своими р...
Плавный пуск электродвигателей - презентация он...
Плавный пуск для болгарки своими руками
Плавный пуск для электроинструмента - YouTube
Плавный пуск для электроинструмента – купить в ...
Как сделать устройство плавного пуска для элект...
Плавный пуск, установка
️ПЛАВНЫЙ ПУСК для любого электроинструмента до ...
Плавный пуск для всего гаражного электроинструм...
Плавный пуск станков | AlexGyver Technologies |...
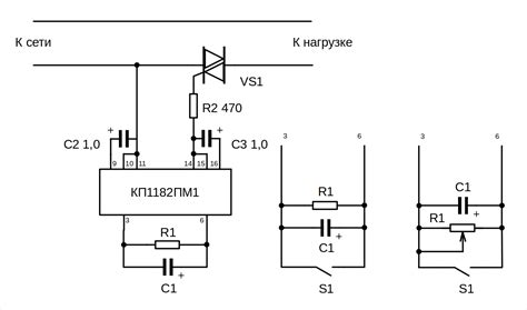
Плавный пуск на два и на три выхода, какой выбр...
Плавный пуск для электроинструмента - тест моду...
Плавный пуск двигателя для электроинструмента -...
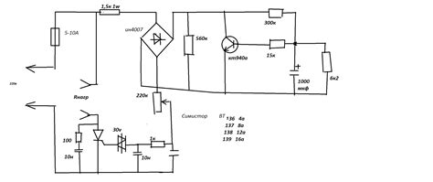
Схема плавный пуск для электроинструмента своим...
Устройство плавного пуска для электроинструмент...
Как добавить плавный пуск в любой электроинстру...
Блок плавного запуска для электроинструмента | ...
Плавный пуск инструмента. Нужен ли он вообще? -...
Плавный пуск для электроинструмента, 12 А: прод...
Плавный Пуск Электроинструмента - Дайте схему! ...
2 способа плавного пуска электроинструмента с о...
ПЛАВНЫЙ ПУСК: с электроинструмента на насос для...
Устройство синхронного плавного пуска электроин...