DA82-02911A Samsung A S Assembly Assembly Case ...
DT8211 DMB Other Components - Veswin Electronics
LT8311 Datasheet and Product Info | Analog Devices
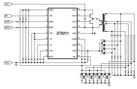
D 8211
DT-2211 – DAT Indonesia
DT8211A Datasheet, DT8211A PDF, Pinouts, Circui...
dt8211 188 | PDF | Amplifier | Mosfet
DT8211A - Унисервис Митино
DT8211A Datasheet(PDF) - List of Unclassifed Ma...
RTL8211E-VB-CG datasheet(60/77 Pages) REALTEK |...
เครื่องวัดอุณหภูมิ : เครื่องวัดอุณหภูมิ thermom...
DT8211A HTML VIEW PDF DOWNLOAD - Unspecified
DT8211A 5pcs/lot DT8211A 5pcs/lot
DT8211A Original supply, US $ 1-1.5 , [DEC] Dae...
TA8211AH datasheet(5/10 Pages) TOSHIBA | DUAL A...
50pcs-lot-DT8211DN-DT8211-SOP16.jpg
TDA5211_197802.PDF Datasheet Download --- IC-ON...
DT8211A 5pcs/lot, www.iccfl.com
10pcs/lot DT8211A DT8211-in Integrated Circuits...
DA7211 Datasheet(PDF) - Renesas Technology Corp
5pcs/lot DT8211A SOP18 Genuine original foot-in...
DT8211A
دماسنج لیزری 380 درجه مدل DT811
DT8211 DT8211A New original SOP18 10pcs 30pcs a...
DT8211 smd
DT8211A Datasheet PDF - ETC
DT8211A | PDF | Power Inverter | Amplifier