Оформить заказ на Зажигание Vape UA CDI Ява бсз...
Электронная зажигалка, - купить с доставкой по ...
Простое электронное зажигание на Д с диодным мо...
Электронное зажигание с октан корректором ВАЗ –...
Генератор ЯВА 6 вольт в сборе с платой контакта...
ᐉ Электронное зажигание
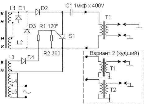
Электронное зажигание «VAPE» ЯВА/JAWA 6V, 360, ...
Электронное зажигание УАЗ - YouTube
Электронное зажигание — Subaru Justy (1G), 1,2 ...
Электронное зажигание
Штатное заводское зажигание «VAPE» (ВАПЕ - ВЕЙП...
самодельное электронное зажигание на мотоцикл у...
Электронное зажигание на Муравья - YouTube
Купить электронное зажигание Ява — Запчасти для...
БСЗ,Электронное зажигание "VAPE" [ВАПЕ-ВЕЙП] ЯВ...
Катушка зажигания Ява (на электронное зажигание...
электронное зажигание для львовского погрузчика...
Яр. Электронное зажигание Ява. Иж. Урал. Днепр ...
Цзя Анг Электронная зажигалка, - купить с доста...
Оформить заказ на Зажигание электронное Ява Чез...
Зажигание ЯВА | Зажигание Ява VAPE Чехия | Ява,...
электронное зажигание на урал - YouTube
Ява шестивольтовая фото
Ява электронное зажигание настройка 634-638 (БЗ...
Ява Стадион Часть шестая Устанавливаем электрон...
#электронное зажигание Ява 634 только такое заж...
Зажигание электронное CDI Иж Муравей Ява купить...
Зажигалка электронная - купить с доставкой по в...
урок1. ЭЛЕКТРОННОЕ ЗАЖИГАНИЕ ДЛЯ ЧАЙНИКОВ - You...
регулировка и ремонт мотоцикла motorcycle JAWA ...