Номер 105 - Двухкомнатный люкс для 5ти человек....
Ип 105 1 g сауна недорого снять сауну Москва, ц...
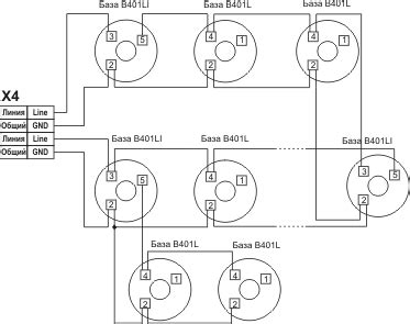
Схема подключения ип 105 1 g сауна 150
Извещатель пожарный тепловой максимальный точеч...
Ип 105 1 d схема подключения
Извещатели пожарные, точечные, максимальные теп...
ИП 105-1 D "Сауна" Магнито-Контакт Извещатель п...
СПА комплекс 106 on Behance
"Kyrgyz Unaa Kurulush" elevator (Bishkek city, ...
Пожарный извещатель Магнито-контакт тепловой ма...
105
Номер 105. Пансионат "Семейный". Архив 2019.
Ип 105 1 d сауна схема подключения - 87 фото
ип 105-1 d сауна: 1 тыс изображений найдено в Я...
Магнито-Контакт ИП 105-1-50 Лотос с ИВС-1 - изв...
ип 105-1d: 1 тыс изображений найдено в Яндекс К...
„Прокълнатият хотел“ - 105 призрачни етажа и 30...
Магнито-Контакт ИП 105-1 G Сауна-150|Извещатель...
Магнито-Контакт ИП 105-1-АЗ Извещатель пожарный...