Клапан СМДК
Клапан дымоудаления №1 — ЗВО Зенит — Промышленн...
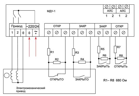
Модуль управления клапаном дымоудаления адресны...
КДМ клапан дымоудаления
Купить клапан дымоудаления КДМ-2м-МВЕ(220)-1200...
Letex - КЛАПАНЫ ДЫМОУДАЛЕНИЯ ТИПА ДМУ МС МНОГОС...
Рубеж МДУ-1-R3|Модуль управления клапаном дымоу...
Автоматический воздухоотводчик: воздушный клапа...
Автоматические системы дымоудаления
Модуль управления клапаном дымоудаления Рубеж М...
МДУ-1 ИСП.03 Рубеж Модуль управления клапанами ...
Клапаны дымоудаления типа ДМУ - Завод "Квентр"
Клапан дымоудаления с электроприводом
Зачем нужен клапан дымоудаления
Мду 1 r3 модуль дымоудаления Rubezh купить | Бы...
Клапаны дымоудаления | Prof-Energo
Модуль автоматики дымоудаления Рубеж МДУ-1-R3 -...
Работа клапанов дымоудаления - YouTube
МДУ-1 исп. 3 Модуль дымоудаления
Модуль автоматики дымоудаления РУБЕЖ МДУ-1-R3 -...
Клапаны дымоудаления
Противопожарный клапан системы дымоудаления АКП...
Взрывозащищённые противопожарные клапаны | Архи...
Клапан дыхательный СМДК – Оборудование для резе...
Рубеж МДУ-1 исп. 03|Модуль управления клапаном ...
Где купить клапан дымоудаления
Клапаны дыхательные в Казахстане | Официальный ...
Клапана дымоудаления 』 купить в Москве - катал...
Рубеж МДУ-1 24/220-R3 модуль управления клапано...
Модуль дымоудаления МДУ-1-R3, 1 шт - купить с д...
Рубеж МДУ-1-R3 (391924)|Модуль автоматики дымоу...
Модуль автоматики дымоудаления Рубеж МДУ-1С-R3 ...
Система и клапаны дымоудаления