Индикатор светодиодный KA2284 уровня сигнала/за...
Купить Индикатор светодиодный KA2284 уровня сиг...
Индикатор уровня сигнала
Универсальный светодиодный индикатор уровня сиг...
Светодиодный индикатор уровня сигнала, 10 свето...
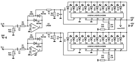
Радиосхемы. - Индикатор уровня сигнала на 64 св...
Индикатор уровня сигнала на светодиодах: устрой...
Радиоконструктор - светодиодный индикатор уровн...
Купить Модуль RL001. Светодиодный индикатор уро...
Lm3915 индикатор уровня сигнала схема светодиод...
Светодиодный индикатор уровня звука (VU-meter) ...
Как сделать индикаторы уровня сигнала на светод...
Светодиодный индикатор уровня сигнала на LM3915
Tool Electric: Светодиодный двухканальный индик...
Светодиодный индикатор уровня сигнала
Индикатор уровня сигнала на светодиодах своими ...
СВЕТОДИОДНЫЙ ИНДИКАТОР УРОВНЯ СИГНАЛА - Электрика
Модуль светодиодной индикации для металлоискате...
Светодиодный индикатор уровня сигнала для метал...
Индикатор уровня сигнала на светодиодах
Светодиодный индикатор уровня сигнала на базе L...
Схема индикатор уровня звукового сигнала на све...
Индикатор уровня сигнала LM3915, 10-LED - kt315...