Схема АВР на 2 ввода
Схема АВР на 2 ввода и 1 вывод
АВР на 2 ввода - схема без контакторов и пускат...
АВР 250А схема 2 ввода 2 вывода, с секционирова...
Шкаф авр на 2 ввода 100а - 86 фото
Схема авр на 2 ввода с реле контроля напряжения...
Авр на 2 ввода: Схемы АВР на два ввода и характ...
АВР 200А N1+N2+G-KM EKF V.01
Схема авр на 2 ввода 58 фото - wForm.ru
Схема АВР 2 ввода на контакторах, схема 2 в 1
Принципиальная схема авр на 2 ввода
Схема АВР на 2 ввода: принцип работы, рекоменда...
Шкаф авр на 2 ввода схема - 82 фото
Схема АВР на 2 ввода с секционным выключателем ...
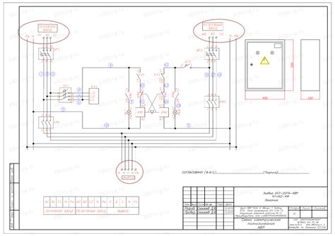
Схема авр на 2 ввода в dwg
Шкаф авр на 2 ввода схема
Контроллер АВР на 2 ввода AVR-2 EKF PROxima rel...
АВР - YouTube
Шкаф АВР 2 ввода 63А - Альфа-Автоматика, Екатер...
Портфолио - АВР на 2 ввода 100А для нужд произв...