BOSCH PROFESSIONAL GBH 2-24 DRE
ปลอกเสื้อดำส่วนหัว สว่านโรตารี่ Bosch บอช รุ่น ...
Bosch GBH 2-24 D Professional | Billig
Młotowiertarka bosch gbh 2-24 dfr - L66 SKUP SP...
פטישון חציבה / קידוח בוש 24 מ"מ Bosch GBH 2-24 ...
Перфоратор Бош GBH-2-24 на запчасти: 500 грн. -...
BOSCH GBH 2-24D
Электро запчасти на перфоратор BOSCH. GBH 2-24 ...
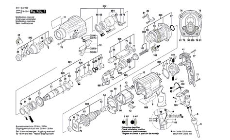
Запчасти для Перфоратор Bosch GBH 2-24
ПЕРФОРАТОР BOSCH PROFESSIONAL GBH 2-24 DRE / GB...
Máy khoan bê tông bosch GBH 2-24 DRE – mochaiphat
Переключатель режимов для перфоратора Бош (Bosc...
BOSCH GBH 2-24 SWITCHING ELEMENT SPARE PARTS | ...
Bosch GBH 2-24 DFR – Banknote interneta veikals
MŁOTOWIERTARKA BOSCH GBH 2-24 DSR - 7063537146 ...
Młotowiertarka Bosch GBH 2-24 DFR Łopatki • OLX.pl
Bosch GBH 2-24 DSR Professional (0611228703) - ...
Bosch GBH 2-24 DRE Fúrókalapács (cikkszám: 0611...
Bosch GBH 2-24D | Hırdavat Atölyesi
Bosch GBH 2-24 DRE, Furniture & Home Living, Ho...
Перфоратор Bosch GBH 2-24 D — купить в магазине...
Bosch GBH 2-24 DF | Pricemania
Bosch GBH 2-24 Mil (Yerli) - Karakoy-Online.com
Bosch GBH 2-24 DSR – Banknote interneta veikals
MŁOTOWIERTARKA BOSCH GBH 2-24 DSE - 7312408649 ...
Bosch GBH 2-24 DFR - MkHlas.sk
Bosch GBH 2-24 DSR – Banknote internetveikals
ลูกสูบ สว่านโรตารี่ Bosch บอช รุ่น GBH 2-24, 2S...
สว่านโรตารี่ BOSCH GBH 2-24 DRE 24 มม.มาตรฐานให...
กระบอกสูบ สว่านโรตารี่ Bosch บอช รุ่น GBH 2-24,...