Трактор Т-40, Т-40А. Конечная передача переднег...
Комплект прокладок КПП Т-40 купить в Москве, це...
Прокладка под головку Suzuki DT40, Omax Код тов...
Купити Прокладка під головку Т-25 (Мідна) Д37М-...
Прокладка для лодочных моторов Skipper Прокладк...
Прокладки и ремкомплекты Т-40, ЛТЗ купить в Кир...
Прицепное устройство тракторов Т-40, Т-40А и ег...
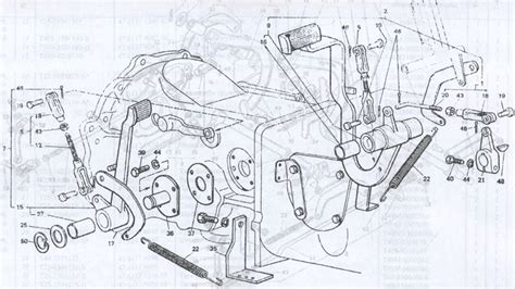
Регулировка сцепления Т 40, устройство и особен...
Трактор Т-40, Т-40А. Узлы гидросистемы и их тех...
Трактор Т-40, Т-40А. Техническое обслуживание з...
Трактор Т-40, Т-40А. Техническое обслуживание к...
Подставка для Т-40 Т - «Приоргласс»
Установка насос дозатора на Т-40 | Гидроруль Т-...
Головка двигуна т 40 т 25: 500 грн. - Запчастин...
Коробка т 40 схема сборки - 90 фото
Скорость трактора Т-40 и его технические характ...
Рулевая колонка Т 40: устройство, ремонт, регул...
Каталог деталей и сборочных единиц трактора Т-4...
Т-40: Купить Дополнительное оборудование!
Коробка Т-40 передач — шестерні, вал, підшипник...
Передний мост Т 40: принцип работы, устройство,...
Прокладки 40 мм ТАТА для бензокосы, к-т: 5 шт. ...
Каталог запчастин Т-40 Польща купити | Ціна на ...
Запчастини для трактора Т-40 - купити в Україні...
Электросхема трактора т 40 в цвете. электропров...
Трактор Т-40, Т-40А. Техническое обслуживание п...
Купити Головка Т-25 Т-40 н/о запчастини двигуна...
Регулировка переднего моста т 40ам
Трактор Т-40, Т-40А. Передний ведущий мост и ег...
Комплект переоборудования Т-40 без НШ (без доза...
Руководство по ремонту Т-40М Модели с дизельным...
Передній міст Т-40 купити недорого в Агроплан