Схема включения регулятора я112б
Регулятор давления ак-11б
Мобильный стенд по проверке реле регулятора нап...
YAK-SS-112D | YUANZE RELAY | Automotive Relays ...
Регулятор напряжения 220в РМ 2
Я112Б, Реле регулятор напряжения МТЗ-50-100,Т-4...
Регулятор напряжения классика
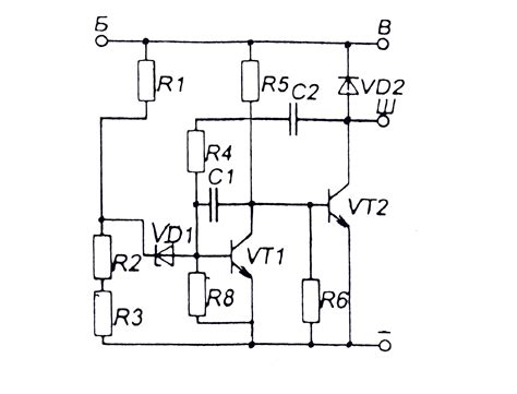
Схема Интегрального Регулятора Я112Б - admin - ...
Регулятор напряжения я112б схема подключения
Реле регулятор я112б1 схема подключения - 91 фото
Реле регулятор я112б схема подключения
Регулятор скорости вращения двигателя - Регулят...
Регулятор Напряжения Я112A1 01 - YouTube
Индикатор напряжения батареи 12В | Радиолюбител...
Регулятор Напряжения 0 12В - plastopt
Я112А - Музей электронных раритетов
YAW-SS-112D | YUANZE RELAY | Automotive Relays ...
Регулятор напряжения 220 В
Я112в1 схема подключения 55 фото - wForm.ru
Бесперебойник из блока питания 12В - Зарядные у...
Регулятор напряжения я120м12 схема подключения ...
регулятор вр 12 меняю рабочее давление - YouTube
РадиоКот :: Делаем Я112А
Схема подключения шоколадки
Простий та швидкий ремонт імпульсного блока жив...
Купить регулятор напряжения я112а ГАЗ, ЗИЛ, ПАЗ...
Реле регулятор Я112Б: 100 грн. - Реле Корюківка...
Я112а1 реле регулятор схема подключения