Схема электрооборудования Митсубиси Лансер 9
Блок управления акпп лансер 9 где находится - 8...
Предохранитель абс лансер 9 где находится? | Au...
Как отключить абс лансер 9 - 84 фото
Лансер 9 схема блока управления вентиляторами
Схема митсубиси лансер
Замена и выбор опорного подшипника Мицубиси Лан...
Блок абс лансер 9 | Festima.Ru - Мониторинг объ...
Подвеска и ходовая часть - motor-teh.ru
Блок abs схема подключения
Блок абс мицубиси лансер 9 Москва | Автозапчаст...
Лансер 9 4g63 2.0 в 4g69 2.4 — DRIVE2
Купить Блок управления вентиляторами Митсубиси ...
АБС Лансер 9 - YouTube
Mitsubishi Lancer 9 блок абс abc митсубиси ланс...
Блок предохранителей Лансер 9 и реле: моторный ...
Блок управления ABS в сборе (Мицубиси Лансер 9,...
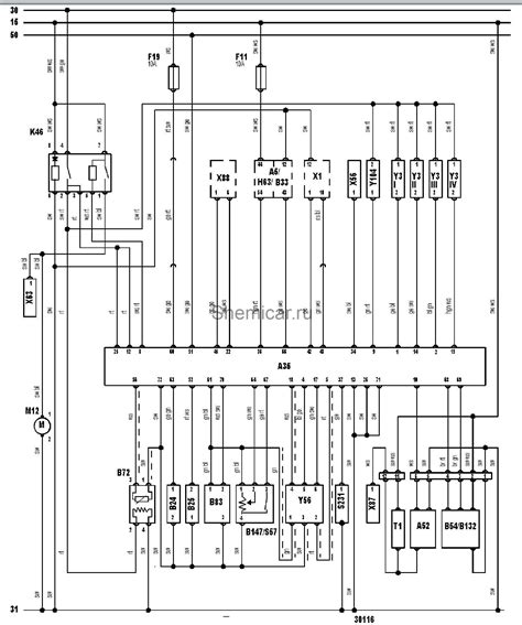
Лансер 9 электросхема абс
Глюк Абс Лансер 9 после 120км — Mitsubishi Lanc...
Диагностика АБС (ABS): проверка антиблокировочн...
Блок абс Митсубиси Лансер 10 | Festima.Ru - Мон...
Схема генератора Лансер 9
Ремонт электропроводки Лансер 9. — Радиомастер ...
Блок управления двигателем Лансер 9: место расп...