Типы ИБП: основные отличия он-лайн, оффлайн, ли...
Источник бесперебойного питания (ИБП): определе...
Основные типы ИБП для чего применяются - основн...
Критерии выбора ИБП для центров обработки данны...
Назначение розеток на ибп
Как выбрать ИБП для компьютера: подбор по парам...
Как выбрать ибп для компьютера: подбор по парам...
Как правильно выбрать ИБП для компьютера и каки...
Типы ИБП: резервные, линейно-интерактивные, онл...
Общие сведения об ИБП — статьи и публикации ком...
Как выбрать ИБП: пять важных моментов
Преимущества и недостатки ИБП
Выбираем хороший онлайн ИБП с двойным преобразо...
Возможности ИБП
Виды ИБП и принцип их работы
Онлайн ИБП с двойным преобразованием напряжения...
Буквенное обозначение ибп на схемах - Фото подб...
Общее описание В-ИБП-А1 | 10-120кВА - Vybos
Overwatch 2: How to Play Symmetra (Abilities, S...
ИБП — что это такое и как работает. Из чего сос...
Типы ИБП: отличия и принцип работы
Что такое источник бесперебойного питания (ИБП)...
Типы ИБП. Как выбрать? Отличия, Описание, принц...
Правила использования ИБП: подбор, подключение ...
переключатели и — со всех языков на русский
Типы ИБП: Off-line, Line-Interactive, On-line. ...
Схемы ибп: Схемы блоков бесперебойного питания ...
Принципы работы ИБП и его схема
How To Play Symmetra In Overwatch 2
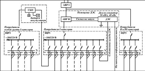
Обозначение ибп на схемах