Как выбрать трансформатор тока для счетчика: та...
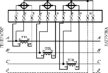
Схема подключения трехфазного счетчика: через т...
Трансформатор тока 125 для счетчика
Трансформатор тока для счетчика трехфазного для...
Подключение трехфазного счетчика через трансфор...
Как подключить правильно трансформаторы тока дл...
Схема подключения электросчетчика 3х фазного че...
Схема подключения трехфазного счетчика через тр...
Трансформатор тока фото. Схема подключения трех...
Трансформаторы тока для электросчетчиков - купи...
Схема трехфазного счетчика с трансформаторами т...
Как подобрать трансформатор тока для трехфазног...
Как подключить трансформатор тока к счетчику: п...
Трехфазный счетчик подключение через трансформа...
Трансформатор понижающий трехфазного тока 380в ...
Трансформатор тока 400/5 для счетчика — купить ...
Трансформатор тока для счетчика трехфазного - Б...