Двух- и трехуровневые инверторы на IGBT
Автономный инвертор напряжения с синусоидальным...
Рациональные схемы преобразователей частоты для
Инверторы: что это и как их выбрать
Трехуровневый автономный инвертор напряжения с ...
Как устроены силовые преобразовательные устройс...
Инверторы
Трехуровневые инверторы напряжения: теория и пр...
Купить Гибридные инверторы солнечные EASUN 3kW ...
Трехфазный инвертор: принцип работы и схема под...
Сварочные инверторы – виды, характеристики инве...
Седьмое поколение IGBT в трехуровневых преобраз...
Назначение и применение инверторов в домашних у...
Трехфазный инвертор своими руками | Все своими ...
Хибриден Инвертор с ограничител (с акумулатори)...
Разработка трехфазного мостового инвертора для ...
Все, что Вам нужно знать об инверторах ᐉ Полезн...
13. Инверторы. Общие сведения, принцип работы, ...
Инверторы: что это, виды и преимущества использ...
Специализированные модули для 3-уровневых инвер...
Высокочастотный или линейный инвертор - Мобильн...
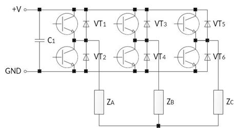
Схема трехфазного инвертора
2.3.4 Трехуровневый трехфазный инвертор
Научно-исследовательская работа для ООО «НПП»Ци...