Весы торговые CAS LP-15R (v1.6) TCP-IP купить в...
Термоголовка CAS LP-15 / CAS CL5000J (оригинал)...
Весы торговые электронные CAS LP-15R (V 1.6)- к...
CAS LP-15R (v1.6) инструкция
Весы торговые CAS LP-15R (1.6) с печатью этикеток
LP15 YELLOW 100g – Maplus CZ
Cas lp 15 подключение к 1с
CAS15-NP datasheet(8/16 Pages) LEM | Current Tr...
CAS15-NP LEM | Magnetic Sensors - LCSC Electronics
CAS LP-15R (1.6) Ethernet инструкция
Весы CAS LP-15R купить в Воронеже | Готовый биз...
Вага електронна торгова LP-15R , правила експлу...
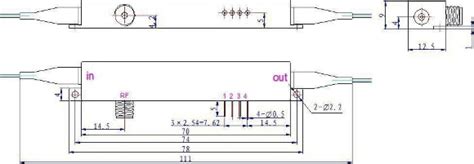
CAS-A-15-20G - 1550 нм 20 Гбит/с амплитудный мо...
[중고] 카스 라벨출력 전자저울 LP-15R
Ваги чекодрукуючі LP-15 (1.6)
Термоголовка для весов CAS LP-15 | цена, купить...
ESR LP15 3D Model | Capone Designs
Весы CAS LP-15 с чекопечатью б/у. - продам. Цін...
L15
balanza CAS LP-15R - YoReparo
CAS 15-NP LEM USA Inc. | Sensoren, Wandler | Di...
LP Lpo 1515 | PDF
CAS - LP 15R с печатью - Эффект Сервис
خرید و قیمت پاوربانک لیتو مدل LP-15s ظرفیت 2000...
Весы торговые CAS LP-15
Весы CAS LP-R на 15 кг (RS232) купить в Украине...
CAS-A-15-20 - 1550 нм 20 ГГц амплитудный модуля...
brand new good quality LP 15 LP15 LP 1.5 LP 16 ...
L15 | PDF
cas 15r — Postimages
Купить весы торговые с печатью CAS LP - R (V 1....
L-15