Преобразователи напряжения. Часть 2. AC/DC-прео...
Однотактные преобразователи с потенциальной раз...
Частотный преобразователь
Преобразователи частоты со звеном постоянного тока
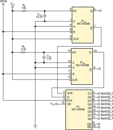
RC-фильтр нижних частот расширяет выходной порт...
Двухтактный преобразователь постоянного напряже...
Цифровой аналоговый аудио конвертер оптический ...
Радиоприемные устройства. Преобразователи часто...
Преобразователь акустических выходов
Выходной трансформатор для усилителя - Мастерск...
Преобразование переменного тока в постоянный
Пуск преобразователя. Снятие питания с 14 прово...
24 Лекция. Цифро-аналоговые преобразователи, ма...
Переключатель На Транзисторах - Начинающим - Фо...
ТЭЦ Лекция 10 гот
УМЗЧ с выходным каскадом на полевых транзистора...
Резонансный преобразователь Чука уменьшает инду...
Преобразователи частоты
Выключатели-разъединители | Комплексные поставк...
Преобразователь частота-напряжение — rcl-radio.ru
Параллельный резонансный преобразователь с регу...
Схемы преобразователей, выходное напряжение кот...
1.2 Способы регулирования выходного напряжения ...
Обратноходовый преобразователь со стабилизирова...
Преобразователи частоты - презентация онлайн
Выбор рельсовых цепей для станции и перегона. А...
Понижающий преобразователь напряжения с выходны...
Фазочувствительные рельсовые цепи, страница 11
Преобразователь частота-напряжение на двух микр...