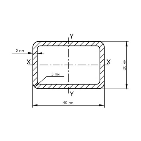
Труба профильная 40x20х2 мм по цене от производ...
Труба 40х20 профильная прямоугольная нержавеюща...
Проф труба 40х20 мм. Код: 4427 / 317 | Festima....
Профильная труба 40х20х2 мм, цена за метр, купи...
Трубы профильные 40х20 мм - купить в Москве с д...
Труба профильная 40х20 2 мм прямоугольная сталь...
Профильная труба 40х20 стальная, толщина 2 мм. ...
Труба профильная 40х20 2 мм 3м в Томске – купит...
Профильная труба 40х20 мм – характеристики и пр...
Труба профильная размеры, Таблица размеров и ха...
Труба профильная 40х20 | ООО Альфа-Металл-Компа...
Профильная труба 40х20 мм 2 мм - купить с доста...
Труба профильная 40х20х2 мм 6 м - купить в Сочи...
Труба профильная 40х40х2 — купить по низким цен...
Труба профильная 40×20×2 - ЗабПромСтрой
Труба профильная, 40х20, 2 мм купить в Омске оп...
Купить Проф труба 40х20*2,0
Труба Профильная 40х20 2мм купить в Калуге с до...
Профильная труба 40х20х2 мм - цена за метр и то...
Профильная труба 40х20 мм - купить с доставкой ...
Профильная труба 40х40х2 мм цена за метр и тонн...
Профильная труба 40х20х2 мм в Краснодаре - купи...
Труба 40 х 20 х 2.0 плоскоовальная цена низкая ...
Купить профильную трубу 40х20х2 в Москве и МО: ...
Профильная труба 40×20×2 мм – идеальный выбор д...
Оцинкованная Профтруба купить на OZON по низкой...
Труба профильная алюминиевая АД31Т размер 40х20...
Профильная труба 40х20х2 заказать с доставкой
Профильная труба нержавеющая AISI 430, размер 4...
Труба профильная 40x20x2 мм (цена за метр) - ку...
Труба профильная прямоугольная ГОСТ 8645-68 40м...
Труба профильная 40х20х2 мм прямоугольная 6 м —...
Труба профильная 40х40х2мм купить по цене 6.10 ...
Труба профильная 40х20х2 мм (прямоугольная) куп...
ᐉ Труба профильная прямоугольная 40x20x2 мм 2 м...