Блок предохранителей уаз буханка схема предохра...
Блок предохранителей уаз буханка инжектор 409 д...
Купить Блок предохранителей 41.3722-01 (ОАО УАЗ...
Блок предохранителей и реле на Уаз Буханка, защ...
УАЗ Буханка (2206, 3303, 3741, 3909, 452) (1965...
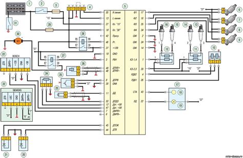
Электросхема уаз буханка с описанием предохрани...
Блок предохранителей УАЗ 469 3151 452 3741 Буханка
Блок предохранителей УАЗ Буханка - Блок предохр...