Реле 20A вентилятора, бензонасоса (4 контакта, ...
Реле бензонасоса и ПТФ РЕНО коричневое для Лада...
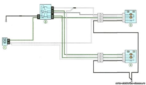
Электросхема Рено Дастер (Renault Duster)
Схема подключения бензонасоса рено дастер
реле стартера рено дастер расположение
Расположение реле бензонасоса Рено Лагуна — 1 о...
Как проверить реле бензонасоса и где оно находи...
Реле бензонасоса: принцип работы, как проверить...
Предохранители и реле Рено Мастер 2 и 3 поколен...
Реле бензонасоса рено дастер 2.0 — купить по ни...
Как подключить реле бензонасоса без эбу
Предохранители и реле Рено Дастер - расположени...
Замена бензонасоса на Рено-Дачия Сандеро, Логан...
Предохранители и реле Рено Дастер - AvtoTachki
Предохранители и реле рено дастер: расположение...
рено дастер расположение предохранителей и реле
Замена и обслуживание бензонасоса на Рено Дасте...
СНЯТИЕ, УСТАНОВКА И ЗАМЕНА ТУРБИНКИ БЕНЗОНАСОСА...
Реле желтое вентилятора, бензонасоса Дастер, Ло...
Реле тэнов рено дастер