Система питания двигателя воздухом УРАЛ-4320-60
Двигатель урал 4320 камаз 740: Двигатель на Ура...
Печка УРАЛ 4320. Схема, основные неисправности,...
Радиатор печки (отопителя) УРАЛ-5557, -4320 алю...
Умп400, урал 4320, запуск печки, алгоритм дейст...
Мотор отопителя КАМАЗ,КРАЗ,УРАЛ ОКТЭП МЭ250 — к...
Купить Электро моторчик печки Камаз УРАЛ в Абак...
Печка Урал,купить,2112.067,радиатор печки Урал,...
Схема подключения печки урал 4320 - 83 фото
Схема подключения печки урал 4320
Радиатор печки (отопителя) УРАЛ-4320, -4420, -5...
Урал 4320
Топливный насос предпускового подогревателя УРА...
Двигатель, урал 4320 в Нижнеудинске
Урал-4320 - обзор, технические характеристики, ...
Купить Мотор отопителя УРАЛ 4320, 4420, 5557, с...
Двигатель на Урал 4320 (КАМАЗ 740) - купить нов...
4320-8101060 радиатор печки Урал-4320 купить,43...
4320А-8101060 радиатор печки Урал-4320 купить,4...
Двигатель урал 4320: Урал 4320 технические хара...
Двигатель автомобилей Урал 4320 - Уральский Зав...
Грузовик Урал 4320 технические характеристики. ...
Схема электропроводки УРАЛ-4320 opex.ru
Купить Моторчик отопителя Камаз, КРАЗ, УРАЛ Мот...
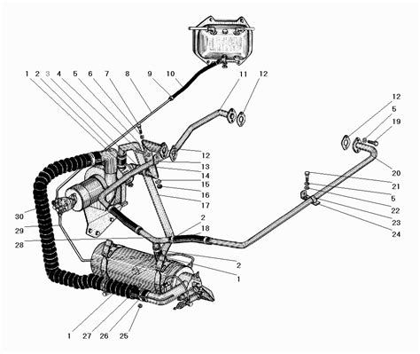
Двигатель урал 4320 схема
Бортовой Урал 4320-1912-60Е5 - Уральский Завод ...
Как Урал-4320 получил дизельный мотор и стал ос...