Ип 212 70 схема подключения - Схемы
Дип 212 45 схема подключения
ДИП-3СМ (ИП-212-3СМ) извещатель пожарный дымово...
Ип212 5му схема подключения
ИВС-Сигналспецавтоматика ИП 212-44СВ (ДИП-44СВ)...
Купить Рубеж ИП 212-141 V1.14, УС-01 Извещатели...
Как подключить ип 212 3су
Извещатель пожарный дымовой взрывозащищенный ИП...
ИП 212-3СУ - Извещатель пожарный дымовой оптиче...
Ип 212 70 дип ис схема подключения
А16-ДИП (ИП 212-108) Юнитест Извещатель пожарны...
Рубеж Ип 212-141 – купить в интернет-магазине O...
Ответы Mail: Как подключить пожарный датчик ДИП...
ип 212 70 (дип-ис) - YouTube
Юнитест ИП 212-108 A16-ДИП|Извещатель пожарный ...
Ип 212 70 Инструкция - weekendkultura
ДИП-141 (ИП 212-141) Рубеж Дымовой пожарный изв...
Модель: PRB-00496
ДИП-45 (ИП 212-45) Извещатель пожарный дымовой ...
Как подключить извещатель пожарный дымовой опти...
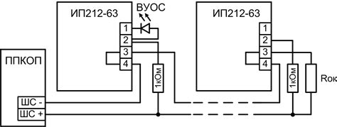
Подключение датчиков пожарной сигнализации ИП 2...
Ип 212 70 Инструкция - specificationaccu