Преобразователь INNOVERT ISD302M43E mini PLUS/ ...
Частотный преобразователь 220 в выход 3 фазы
Частотный преобразователь с одной на три фазы, ...
Из одной фазы три схема: Схема три фазы из одно...
Преобразователь с одной на три фазы
Универсальный преобразователь частоты с одной ф...
Как получить три фазы из одной
Преобразователь частоты Три фазы 11кВт 380V куп...
Три фазы из одной | Электрические схемы
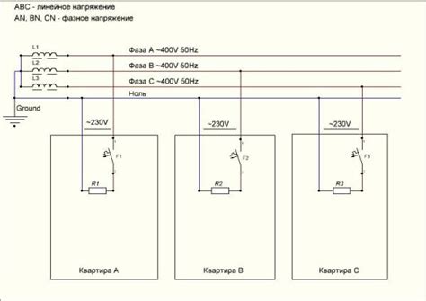
Получение трех фаз 380В из одной фазы 220В | Си...
Преобразователь частоты 220в в три фазы 5 кВт, ...
Преобразователь одной фазы в три своими руками
Из одной фазы три схема
Преобразование 3 фаз в 1 • Ваш Солнечный Дом
Частотный преобразователь 220 В на три фазы 200...
Преобразователь с 220 на 380 выход 3 фазы — куп...
Преобразователь Из одной фазы 220 В в ТРИ ФАЗЫ ...
Три фазы из одной схема на тиристорах
Как из одной фазы сделать три фазы под плитку
Преобразователь однофазного напряжения в трехфа...
Как сделать из одной фазы 3
380 вольт 3 фазы частный дом: схема, примеры ка...
Три фазы из одной – radiochipi.ru
Как получить три фазы 380В из одной фазы 220В?
Преобразователь одной фазы в три - YouTube
Вход 220 В, выход 220 В, 1 фаза на 3 фазы, прео...
преобразователь частоты с 220 вольт одной фазы ...