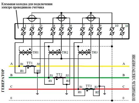
Подключение счетчика через трансформаторы
Правила самостоятельного подключения электричес...
Подключение однофазного счетчика: инструкция и ...
Схема подключения счетчика электроэнергии одноф...
Электросчетчики трехфазные непрямого включения
Полукосвенное включение счетчика.
Схема подключения счетчика трехфазного – Подклю...
Индукционный счетчик электроэнергии - принцип р...
Схемы подключения счетчиков
Расскажем подробно: Неправильное подключение сч...
ПКУ-10 “ЭКСТРА” | Практик Новатор
Установка и подключение счетчика электроэнергии...
Счетчик энергомера се 301 схема включения
Схема подключения трехфазного счетчика: через т...
Схемы подключения электросчетчиков | Electric-B...
Трехфазный счетчик электроэнергии: устройство, ...
Электрическая схема включения счетчика
2 фазный счетчик. 3 х фазные счетчики электроэн...
Счетчики типы схемы принцип работы
Что такое косвенное подключение счетчика
Установка и подключение трехфазного счетчика пр...
Приемники и потребители систем электрической эн...
Трехфазный счетчик подключение через трансформа...
Подключение трехфазного счетчика электроэнергии...
Трёхфазный счётчик прямого включения: как прави...
Схемы подключения счетчика через трансформаторы...