A-AL172781 - A&I Air Filter - Greenway Equipmen...
AIW-171HQ - Advantech
COLLECTION AW'17
ENGINE AIR FILTER AL172781 for your Agricultura...
5 шт. iw1700 iw1700-01 новые и оригинальные
1217127-1 / 디바이스마트
INGCO Αερόκλειδο 1/2" (AIW12312) - tsatsaris.eu
IW1710-01 datasheet(18/20 Pages) DIALOG | Digit...
AI 22517 Luftfilter - ENA Filter
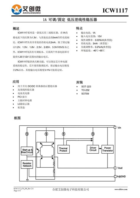
ICW1117-合肥艾创微电子科技有限公司
Impact wrench 1/2"DR, 7500 RPM, 717 Nm AIW12717...
AW1810117 Aywiparts колодки передние
Незаменимый помощник за 6000р. Обзор и испытани...
کورین ابر و بادی آتیستون (کد AW)
Original APW121417a psu for Antminer L7- NBTC
Блок питания APW121417 - Antminer S19, Antminer L7
Airsoft - EA-Airsoft - Vente, Réparation, Prépa...
AIW11727 | Carmi | SPI Lighting
details ___ aw17
Calaméo - Pw 1217 1
Citizen Ρολόι Eco - Drive με Μεταλλικό Μπρασελέ...
12717W / 디바이스마트
Air Filter AIF18717 - BP
THORVIK AIW12717 купить в Минске
Mercedesbenz Oe Przewód Wąż Wody A1775014700 Me...
W177 Ön Panel Ayağı Sol - A17762+++
W2717-IW - Modern Electrical Supplies Ltd
2717 / 디바이스마트
AW32717 - POWERSHAFT - Greenway Equipment – Joh...