К561ТМ3 (CD4042) Россия 3 штуки - купить с дост...
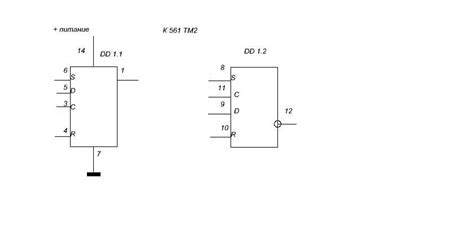
Микросхема к561тм3 описание и схема включения -...
К561ТМ3 - ИС стандартной логики К561, К176 - МИ...
Микросхема 561тм3 описание схема включения
К561ТМ3 DIP16 Микросхема купить в интернет-мага...
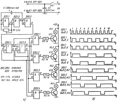
Микросхема к561тм3 описание и схема включения
К561ТМ3А (аналог CD4042) мікросхема DIP16.чотир...