Что делать водителю «Жигулей», если по дороге о...
Блок предохранителей Скания - YouTube
(23) Евро предохранители в Жигули. — Lada 21061...
Плавкие предохранители (ВАЗ-2107 «Жигули» 1982-...
Предохранители и реле системы управления двигат...
Схема предохранителей ВАЗ 2109 Описание предохр...
Автомобильные предохранители. Типы и виды.
Типы автомобильных предохранителей | Electricit...
Распиновка приборной панели ваз 2105 инжектор -...
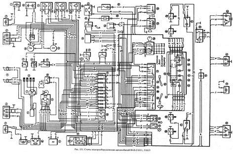
Провода, предохранители и схема электрооборудов...
Какие предохранители в вашем авто? Таблица видо...
1-20 Предохранители ВАЗ 2101 2102 2103 2106 наз...
Подсос как на жигулях? — Skoda Octavia A7 Mk3, ...
Предохранители ВАЗ-2103 «Жигули», расшифровка б...
Автомобильные предохранители виды и типы: Предо...
Предохранители цилиндрические Стандарт, 5-25 А,...
Предохранители автомобильные - купить предохран...
Предохранители – купить на ДЕТАЛИ.zp.ua
Применение предохранителей
Что такое предохранитель в автомобиле. Особенно...
Предохранители автомобильные цилиндрические 5-2...
Предохранители автомобильные мини, стандарт, ма...
Виды автомобильных предохранителей иномарок: Ав...
Разбираемся с различными типами предохранителей...
Распиновка блока предохранителей ниссан кашкай ...
Плавкие предохранители (ВАЗ-21061 «Жигули» 1976...
Схема предохранителей и реле chevrolet lacetti ...
Предохранители FS-11 10шт жигули (наб.) p (ID#2...
Виды предохранителей
Схема предохранитель: Блок предохранителей авто...
Разновидности предохранителей для авто - auto-i...
Что такое предохранитель и для чего он нужен?