RT3662AC datasheet(4/37 Pages) RICHTEK | Dual-O...
RT3663BMGQW datasheet(5/43 Pages) RICHTEK | Dua...
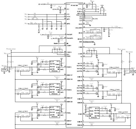
RT8885A - Dual Output 3-Phase + 2-Phase PWM Con...
RT3662AC datasheet(3/37 Pages) RICHTEK | Dual-O...
RT3662AC - 内建3驱动器的双输出 PWM 控制器应用于...
RT3662AC Datasheet - RichTek
RT8174A - Dual-Output PWM Controller with 2 Int...
RT3662AC RT3662ACGQW IC CHIP – Lonex
IO174 - RT3662AC RT3662ACGQW DUAL-OUTPUT PWM IC
1-50Pcs-New-original-RT3662ACGQW-RT3662AC-QFN-4...
RT8880B - Dual-Output PWM Controller with 3 Int...
Nowy układ RT3662ACGQW RT3662AC > Richtek
2-5pcs Rt3662ac Rt3662acgqw Qfn-40 - Integrated...
RT3663BM - AMD SVI2移動CPU內核電源用雙輸出PWM控...
RT3662AC Datasheet(PDF) - Richtek Technology Co...
100% New RT3662AC RT3662ACGQW QFN-40
RT3662AC - Dual-Output PWM Controller with 3 In...
RT3662ACGQW RT3662AC
RT3606BC - Dual Channel PWM Controller with Int...
آی سی لپ تاپ Richtek RT3662AC - کامپیوتر افق
Jual IC RT3662ACGQW RT3662AC RT3662 AC RT 3662A...
RT3662EB - Single Channel PWM Controller with 2...
RT3662AC datasheet(1/37 Pages) RICHTEK | Dual-O...
2 PCS RT3662F BGA RT3662 IC CHIP Dual-Output PW...
RT3667BB - Dual-Output PWM Controller with 2 In...
RT3602AC - Triple Channel PWM Controller with I...
Обзор видеокарты Afox Radeon RX 550 (4 ГБ)
RT8877C - Dual-Output PWM Controller for AMD SV...
RT3662AC RT3662ACGQW QFN-40 Chipset IC