ГАЗ-3309 шасси - продам. Ціна 24 000 купити ГАЗ...
ГАЗ-3309 - технические характеристики, фото, ви...
Запчасти: Уплотнители и механизм перемещения ст...
Стартер Газ 3309: устройство, характерные неисп...
Газ 3309 электрическая схема - статьи по ремонт...
Регулятор давления тормозов ГАЗ-3309
Установка тахографа на ГАЗ 3309 2012г.
Чем хорош ГАЗ 3309 дизель и отзывы владельцев о...
Продам ГАЗ 3309 - продам.купити Продам ГАЗ 3309...
Спидометр ГАЗ-3307, 3309, УАЗ-3151, УРАЛ d=100м...
Электросхема Газ 3309 - linoabids
Электросхема Газ 3309 - naskla
Спідометр ГАЗ-52, ГАЗ-53, 3307, 3309, 4301, ГАЗ...
Топливозаправщик ГАЗ-3309: устройство и характе...
Схема газ 3309: Газ 3309 электросхема. схема эл...
Рис. 199. Ленточный спидометр ГАЗ-24
Спидометр - УАЗ 469, ГАЗ 3307, 3309, ПАЗ 3205, ...
Запчасти: Газопровод, турбокомпрессор для ГАЗ-3309
Купить запчасть Спидометр для КАМАЗ, ГАЗ-3307, ...
Газ 3309: технические характеристики, габариты,...
Спидометр ленточный СП 104 ГАЗ 24
Запчасти: Устройство электрофакельное для ГАЗ-3309
ГАЗ-3309 — цена, фото, характеристики
Технические характеристики газон 3309: ГАЗ-3309...
Двигатель газ 3309 воздушная четверка: 500 грн....
Цена газ 3309 шасси: Продажа шасси ГАЗ-3309 ГАЗ...
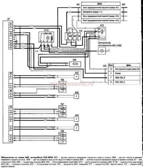
Схемы ГАЗ-3309. | Автотема
AUTO.RIA – Продам ГАЗ 3309 2006 : 10800 $, Козятин
Датчики на двигателе ГАЗ-3309