Защитный проводник (PE): что это такое, обознач...
Какой провод использовать для заземления - Сам ...
Монтаж проводника заземляющего из медного изоли...
Проводник заземляющий с двумя наконечниками | Э...
Заземление, виды заземления, монтаж контура заз...
Защитное заземление - Обслуживание автоматики и...
Измерение сопротивления защитного заземления и ...
Заземляющие проводники в наличии - YouTube
Утверждён: 14.12.1992 ГПИ Электропроект (Elektr...
ПРОВОДНИКИ ЗАЗЕМЛЕНИЯ - Mano Enegry Qazaqstan
Заземляющий проводник ЗП-1 | Завод Энергоконстр...
Почему нельзя ставить УЗО и дифавтоматы без заз...
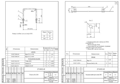
Купить Заземляющий проводник ЗП64А (Л57-97.01.0...
Проводник заземления
Заземляющие проводники
Заземляющий проводник: что это такое, определен...
Заземляющий проводник ЗП-1М артикул 33109 INSTA...
Заземяващ проводник - напречно сечение, маркиро...
Проводник заземляющий | Завода Монтажный Инстру...
Монтаж защитного заземления - презентация онлайн
Проводники заземления - ЗАВОД ЗКМ
Защитный заземляющий проводник — это… (определе...
Рис. 4 Установка переносного защитного заземлен...
Проводники заземления
КЛАССИФИКАЦИЯ СИСТЕМ ЗАЗЕМЛЕНИЯ презентация, до...
Заземляющий проводник ЗП-2 от производителя Kar...
Как #нельзя подключать заземляющий проводник к ...
Защитные заземления.
Требования к устройству защитного заземления и ...
Как работает защитное заземление в 2020 г | Эле...
Заземляющий проводник ЗП-1
Устройство защитного заземления
Заземления для стационарных установок проводной...