Трансформатор на ферритовом кольце своими рукам...
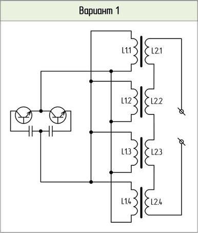
Параллельная работа импульсных трансформаторов ...
Что будет,если импульсный трансформатор из ферр...
Желто-белые якобы ферритовые кольца.Но это не ф...
Имп. Трансформатор На Ферритовом Кольце - Начин...
Мощный трансформатор на ферритовом сердечнике. ...
Энергия из феррита
Трансформатор на ферритовом кольце из сварочног...
Схема электронного трансформатора презентация
Трансформаторы и всё о них - Трансформаторы, др...
Подключение тороидального трансформатора к усил...
Простой испытатель ферритов / Хабр
Как опознать ферритовое кольцо | Радиолюбитель ...
Импульсный трансформатор - Продам-Отдам, Услуги...
Ферритовые сердечники для импульсных трансформа...
Как сделать КВ трансформатор (БАЛУН) на феррито...
Импульсные силовые трансформаторы
Импульсный трансформатор: принцип работы, прове...
Ферритовые кольца антенны. Намотка - YouTube
Трансформатор-преобразователь на ферритовом кол...
ПРОСТЕЙШАЯ СХЕМА ИБП
Импульсный трансформатор - Рубрика - PVSM.RU
Калькулятор мощности компьютера
Что За Транс? - Трансформаторы, дроссели, ферри...
Преобразователь напряжения - Импульсные источни...
ИМПУЛЬСНЫЙ ТРАНСФОРМАТОР | Трансформаторы, Схем...
Ferrite Core Inductor Symbol
Импульсные трансформаторы